联系热线

锦宏自动化仪表咨询热线:0550-7512882,不锈钢膜盒压力表采用敏感元件膜盒来测量对铜合金不起腐蚀作用介质的微小压力,通常测量低于0.1MPA的压力。膜盒压力表适用于测量,主要低件的材料有黄铜,锡青铜,铜。表壳罩壳的材料是冷轧钢板。膜盒压力表可以广泛应用于制药,食品,饮料,制酪,纯净水处理等行业。
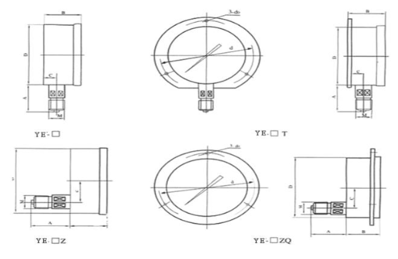
一、不锈钢膜盒压力表型号为:YE
二、不锈钢膜盒压力表结构原理:
1、不锈钢膜盒压力表有以下组成:
A:测量系统:接头膜盒等;
B:传动机构:拔杆机构,齿轮传动机;
C:指示装置:指针与度盘;
D:外壳:表壳、衬圈和表玻璃。
2、当被测介质的压力作用于膜盒时,其自由端产生相应弹性变形一位移,经拨杆带动传动机构放大,由指示装置将被测压力在盘上指示出来。膜盒压力表基于波纹膜盒被测介质的压力作用下,其自由端产生相应的弹性变形,再经齿轮传动机构的传动并予放大,由固定齿轮轴上的指针逐将被测值在度盘上指示出来。还有调低装置,可以方便调整低位。
对于在外壳内充液的膜盒压力表,能够抗工作环境振动较剧和减少介质压力的脉动影响。
三、不锈钢膜盒压力表的应用:
膜盒压力表采用膜盒作为测量微小压力的敏感元件。测量对铜合金不起腐蚀作用、无爆危险气体的微压和负压,广泛应用于锅炉通风、气体管道、燃烧装置等及其他类似设备上。
四、技术参数
1、型号及命名

2、型号及范围

3、外形

五、不锈钢膜盒压力表使用与订货须知:
(1)测量稳定压力时,其使用范围应为测量上限的1/3~3/4,测量脉动或有冲击现象的压力时应不大于测量上限的1/2;
(2)测量范围:膜盒压力表在-80~60000Pa,但是要根据不同的压力量程选用不同的膜盒压力表,压力在-1000Pa~60000Pa时建议选用圆盘式膜盒压力表,如果压力在-80Pa时建议选用矩形膜盒压力表。
(3)膜盒压力表接头螺纹如需特殊要求时请说明。
(4)膜盒压力表分普通型和不锈钢型。
(5)订货请说明名称、型号及测量上限
(6)膜盒压力表应垂直安装,并避免因液位差引起的附加误差。
六、锦宏不锈钢膜盒压力表展示:



